2d Drawing To 3d Model


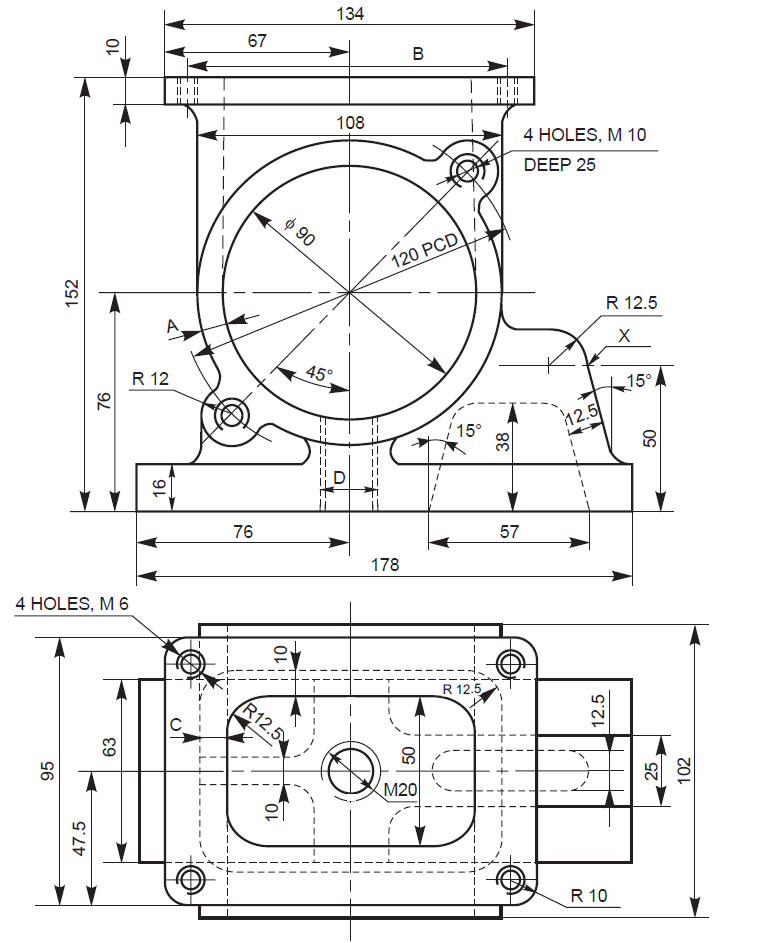
Engineering Drawings For Production Fabrication 2d 3d Cad

Engineering Drawings For Production Fabrication 2d 3d Cad

How To Create A 3d Model From A 2d Drawing Designpoint Blog

How To Create A 3d Model From A 2d Drawing Designpoint Blog

What Software Do I Need For 3d Printing All3dp

What Software Do I Need For 3d Printing All3dp

Disney Research App Turns 2d Drawings Into 3d Characters

Disney Research App Turns 2d Drawings Into 3d Characters

Convert A 3d Model To 2d Drawings In Bricscad For Mac Youtube

Convert A 3d Model To 2d Drawings In Bricscad For Mac Youtube